文章来源于:化工365公众号
按照传统设计的常规精馏系统,各塔分别配备再沸器和冷凝器,如图1所示的三组分两种常规精馏流程。此流程由于冷、热流体通过换热器管壁的实际传热过程是不可逆的,为保证过程的进行,需要有足够的温差,温差越大,有效能损失越多,则热力学效率就越低。热耦精馏塔就是基于此而研究出的一种新型的节能精馏。


▲图1 三组分常规精馏流程
热耦精馏的原理:
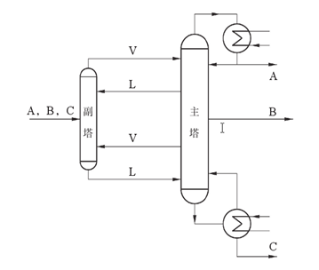
如图2 所示的流程。副塔的物料预分为A、B和B、C两组混合物,其中轻组分 A全从塔顶蒸出,重组分C全从塔釜分出,物料进入主塔后,进一步分离塔顶得到产物A,塔底得到产物C,在塔中部B组分液相浓度达到最大,此处采出中间产物,副塔避免使用冷凝器和再沸器,实现了热量的耦合,故称为热耦精馏。

▲图2 热耦精馏流程
热耦精馏的应用:
在图2中,假定组分A、B和B、C间的相对挥发度均为3,设计回流比为1 ~ 3,以泡点进料,产品的纯度均定为 90 %,则在相同或稍多一些塔板数情况下,热耦精馏可节能20%。由于取消了前级塔的再沸器和冷凝器,则可以减少换热设备的投资和蒸汽冷却水的消耗,故其经济效益是很高的,可推广用于多组分系统的分离。热耦精馏在热力学上是最理想的系统结构,既可节省能耗,又可节省设备投资。经计算表明,热耦精馏比两个常规塔精馏可节能20%~40%。所以,这种新型节能精馏技术在20世纪70年代能源危机时受到西方国家的广泛注意,进行了许多研究。但是,由于主、副塔之间气液分配难以在操作中保持设计值,且分离难度越大,其对气液分配偏离的灵敏度越大,操作就难以稳定,而且由于控制问题和缺少设计方法,20多年来热耦精馏并未在工业中获得广泛应用。只有沸点接近的易分离物系才推荐采用热耦精馏,但在设计中也要注意,保证主、副塔中气液流量达到要求。
热耦精馏流程的适用范围:
热耦精馏流程并不适用于所有化工分离过程,它的应用有一定的限制。虽然此类塔从热力学角度来看具有最理想的系统结构,但它主要是通过对输入精馏塔热量的“重复利用”而实现的,当再沸器所提供的热量非常大或冷凝器需将物流冷至很低温度时,此类工艺会受到很大限制。此外,热耦精馏流程对所分离物系的纯度、进料组成、相对挥发度及塔的操作压力都有一定的要求:
⑴产品纯度。热耦精馏流程所采出的中间产品纯度比一般精馏塔侧线出料达到的纯度更大,因此,当希望得到高纯度的中间产品时,可考虑使用热耦精馏流程。如果对中间产品的纯度要求不高,则直接使用一般精馏塔侧线采出即可。
⑵进料组成。若分离 A、B和C三个组分,且相对挥发度依次递增,采用该类塔型时,进料混合物中组分B的量应最多,而组分A和C在量上应相当。
⑶相对挥发度。当组分B是进料中的主要组分时,只有当组分A的相对挥发度和组分B的相对挥发度的比值与组分B的相对挥发度和组分C的相对挥发度的比值相当时,采用热耦精馏具有的节能优势最明显。如果组分A和组分B(与组分B和组分C相比)非常容易分离时,从节能角度来看不如使用常规的双塔流程。
⑷塔的操作压力和整个分离过程的压力不能改变。当需要改变压力时,则只能使用常规的双塔流程。
一审一校:黄杨
二审二校:何玲
三审三校:雷振友

